-
项目名称:迁安市腾云铁选有限公司选矿厂扩建项目
-
建设单位:迁安市腾云铁选有限公司
-
建设地点:唐山市迁安市扣庄镇安新庄村南
-
建设性质:改扩建
-
建设内容:利用现有设施,购置安装给料机、破碎机等设备。建成后年处理品位56%粗精矿石(粉)增至912万吨(增加600万吨)
-
项目投资:10000万元
-
建设进度及期限
-
进度:1#、2#、3#车间生产设备已安装,干排车间及尾矿干排系统生产设备未安装
-
期限:12个月
-
-
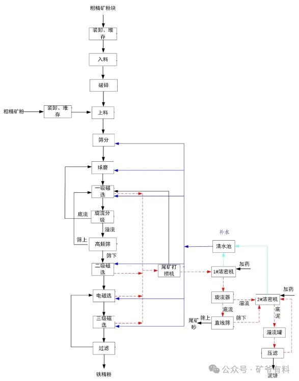
工艺流程:依托现有破碎线,改造球磨、磁选线。原料经运输卸料、破碎、上料筛分后球磨,再经多级磁选、电磁选,尾矿打捞,精矿过滤,尾矿干排得尾矿砂和泥饼。

9.产品方案:铁精粉产量713万吨/a(品位66%含水10%)
10.原料来源:迁安周边选矿厂,品位56%。
-
现有工程310万t/a,项目实施后全厂852万t/a,增加542万t/a,来自迁安及周边地区,含水率10%。
-
粗精矿粉块:现有工程2万t/a,项目实施后全厂60万t/a,增加58万t/a,来自迁安及周边地区,含水率10%。
11.新增设备
❶ 筛分阶段
-
圆筒筛:Φ1.2m×3m,6台(1#车间2台,2#车间2台,3#车间2台)
-
直线振动筛:2m×4m,4台(干排车间,用于干排前的筛分)
❷ 磨矿与分级阶段
-
磨矿设备:
-
MQY2112:1台(1#车间)
-
MQY2410:1台(2#车间)
-
MQY2212:2台(3#车间)
-
溢流型球磨机:
-
-
旋流器:
-
350×8:1台
-
350-8:3台
-
干排车间旋流器:2台
-
旋流器:
-
❸ 磁选与重选阶段
-
磁选设备:
-
1545:4台
-
CTB-1245:6台
-
1236:8台
-
-
重选设备:
-
Φ1.1m:16台
-
Φ1.6m:8台
-
❹ 过滤与脱水阶段
-
过滤机:
-
真空过滤机60m²:2台(1#车间)
-
过滤机96m²:1台(2#车间)
-
盘式真空过滤机120m²:2台(3#车间)
-
-
浓密机:
-
浓密机:直径38m,2台
-